CA-IF4289

f_ico02.svg

Active

Data and power share one single pair of wires

The CA-IF428x family of devices complies with the home bus standard requirements while improving communication in harsh environments and minimizing the need for external components. The home bus standard was designed to ease communication between multiple different devices connected to a single bus, where data and power are passed on one single pair of wires, to allow a mutual exchange of information at any time from any room in a home or building among various appliances, equipment, or security devices. The CA-IF428x family is configurable to operate up to 200kbps with adjustable receiver thresholds and dynamic cable termination for improved communication with high data rates. This family of devices is rated for operation up to ±8kV contact discharge and ±15kV air gap ESD protection, and survives up to ±1kV surge events with selected external components. Additional features include adjustable receiver hysteresis and driver slew rate. Also, the CA-IF4289 features bus polarity detection, help to prevent incorrect bus connections. The CA-IF428x devices have been designed for operation in home bus systems but they are not only limited to those networks, can be used to transmit data over any compatible system. All devices are specified over the -40°C to +105°C operating temperature range and are available in a compact 24-pin 4mm*4mm QFN package.

4289.jpg
  • Features

    Configurability Enables Flexible Design

    9.6kbps to 200kbps Data Rate
    Adjustable Receiver Thresholds and Internal
    Threshold Configuration Option
    Large Receiver Hysteresis
    Adjustable Slew Rate on Transmit Signals
    Dynamic Cable Termination Improves Signal Quality for High-Speed Communication
    Support Bus Polarity Detection (CA-IF4289 only)

    Integrated Protection for Robust Communication

    IEC 61000-4-2 ±8kV Contact and ±15kV Air-Gap ESD Protection
    IEC 61000-4-5 ±1kV Surge Protection with Selected External Components

    Compact 4mm*4mm QFN Package

    Operation temperature range from -40°C to +105°C

  • Applications

    • HVAC

    • Data over Power Applications (PoD)

    • Digital Signage

    • Industrial PLC

    • Remote Monitoring and Sensing

  • Device Information

    Part NumberPackagePackage Size

    CA-IF4288

    CA-IF4289

    QFN4mm*4mm
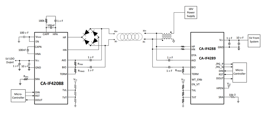
  • Simplified Functional Diagram

    未标题-3.1.jpg